首页
公司介绍
新闻中心
组织机构
服务理念
售后服务
联系我们
产品中心
jtgk.png

产品中心

BQ71F对夹式保温球阀

您的位置:阀门 - 球阀 - BQ71F对夹式保温球阀 更新时间:2024-09-03 09:09:38
BQ71F对夹式保温球阀
    • 质量安全:压力、材质、密封等全方位检测确保质量过关!
    • 价格比较:在相同品质的情况下,厂里直销,更具有优势!
    • 交货快捷:常规产品现货供应,生产加工销售一条龙服务!
      导读:BQ71F对夹式保温球阀具有良好的保温保冷特性,且阀门的通径与管径一致,同时又能有效降低管路中介质热量损失。主要用于石油、化工、冶...

    • 产品描述
    • 在线询价
    • 技术咨询
    BQ71F对夹式保温球阀BQ71F对夹式保温球阀

    BQ71F对夹式保温球阀具有良好的保温保冷特性,且阀门的通径与管径一致,同时又能有效降低管路中介质热量损失。主要用于石油、化工、冶金、制药、食品等各类系统中,以输送常温下会凝固的高粘度介质。主要型号、保温型:手动(BQ71F)、气动(BQ671F)、电动(BQ971F)

    产品名称: 对夹式保温球阀 产品型号: BQ71F
    公称通径: DN15~DN200 结构形式: 球形
    公称压力: 1.6Mpa~2.5Mpa 连接方式: 对夹式
    适用温度: ≤350ºC 驱动方式: 手动、电动、气动
    阀体材质: 铸钢、不锈钢 制造标准: 国标GB、德国DIN、美国API、ANSI
    适用介质: 水、油、气体、液体 生产厂家: 上海凯利科阀门有限公司

    产品说明

    BQ71F对夹式保温球阀具有良好的保温保冷特性,且阀门的通径与管径一致,同时又能有效降低管路中介质热量损失。主要用于石油、化工、冶金、制药、食品等各类系统中,以输送常温下会凝固的高粘度介质。主要型号、保温型:手动(BQ71F)、气动(BQ671F)、电动(BQ971F)

    产品性能

    适用介质:水、油、气及某些腐蚀性液体
    温度范围:-20-232℃-350℃
    公称通径:DN15-100mm1/2“-4“
    公称压力:PN1.0-2.5MPa  CLASS:150lb、JIS:10K

    主要零件材料

    序号NO 零件名称 材质
    1 阀体 不锈钢CF8M/CF8 碳钢WCB
    2 不锈钢316/304 不锈钢SS304
    3 密封垫 聚四氟乙烯PTFE 聚四氟乙烯PTFE
    4 阀杆 不锈钢316/304 不锈钢SS304
    5 填料 不锈钢PTFE 聚四氟乙烯PTFE
    6 定位锁 不锈钢304 不锈钢SS304
    7 手柄 不锈钢304 不锈钢SS304
    8 阀杆螺母 不锈钢304 不锈钢SS304
    9 填料压盖 不锈钢304 不锈钢SS304
    10 手柄套 塑料Plastic 塑料Plastic
    11 密封瓶帽 不锈钢316/304 不锈钢SS304
    12 垫圈 聚四氟乙烯PTFE 聚四氟乙烯PTFE

    安装示意图

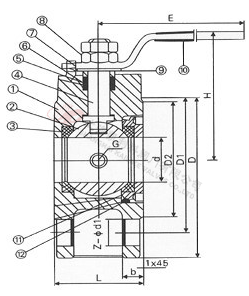
    外形结构图


    主要外形及连接尺寸表
    尺寸 15/1/2“ 20/3/4” 25/1“ 32/11/4" 40/11/2" 50/2“ 65/21/2" 80/3” 100/4“ 125/5” 150/6” 200/8“
    d 15 19 23.5 30 36 45 58 67 76 100 125 195
    L 32 38.5 45 55 62 72 95 120 145 200 225 275
    D 95 105 115 135 145 160 180 195 215 245 280 335
    D1 65 75 85 100 110 125 145 160 180 210 240 295
    D2 45 55 65 78 85 100 120 135 155 185 210 265
    H 62 70 79 86 92 102 158 172 187 200 240 278
    E 110 125 135 150 150 180 250 300 350 650 840 1000
    b 14 14 16 16 18 20 22 24 24 26 26 28
    z-d1 4-14 4-14 4-14 4-18 4-18 4-18 4-18 8-18 8-18 8-18 8-23 12-20
    l 2 2 2 3 3 3 3 3 3 3 3 3
    2-G 3/8 3/8 3/8 1/2 1/2 1/2 1/2 1/2 1/2 1/2 1/2  
     

    声明:【BQ71F对夹式保温球阀】规格型号、结构尺寸由上海凯利科阀门有限公司提供,如何选择适用的BQ71F对夹式保温球阀产品,使之在工艺控制中安全可靠、经济适用,可致电我司销售部门及技术部门,我们将在最短的时间内为您解答!

    

    Copyright ©2011-2023 上海凯利科阀门有限公司,版权所有。 京ICP证000000号

    销售电话:021-31001158

    手机号码:13816746668 陈国辉/经理

    电子邮件:klkvalves@126.com@126.com

    主营产品:球阀,闸阀,蝶阀,截止阀,止回阀,调节阀

    本周热门:不锈钢阻火器全天候呼吸阀气动球阀气动蝶阀气动刀闸阀气动调节阀电动球阀电动蝶阀电动刀闸阀电动调节阀不锈钢球阀不锈钢闸阀不锈钢截止阀不锈钢止回阀不锈钢电磁阀高压电磁阀高压球阀波纹管截止阀

    官方网址:www.fm058.com