首页
公司介绍
新闻中心
组织机构
服务理念
售后服务
联系我们
产品中心
jtgk.png

产品中心

SD341X,SD343H伸缩蝶阀

您的位置:阀门 - 蝶阀 - SD341X,SD343H伸缩蝶阀 更新时间:2024-09-03 09:09:24
SD341X,SD343H伸缩蝶阀
    • 质量安全:压力、材质、密封等全方位检测确保质量过关!
    • 价格比较:在相同品质的情况下,厂里直销,更具有优势!
    • 交货快捷:常规产品现货供应,生产加工销售一条龙服务!
      导读:SD341X/SD343H伸缩蝶阀具有自动补偿管道热胀冷缩方便装卸的功能,使用于温度在425℃以下,公称压力在1.6MPa以下的石油、化工、电力、造纸、...

    • 产品描述
    • 在线询价
    • 技术咨询
    SD341X,SD343H伸缩蝶阀SD341X,SD343H伸缩蝶阀

    SD341X/SD343H伸缩蝶阀具有自动补偿管道热胀冷缩方便装卸的功能,使用于温度在425℃以下,公称压力在1.6MPa以下的石油、化工、电力、造纸、给排水和市政建设等工业管道上作调节流量和载断流体的最佳装置。

    产品名称: 伸缩蝶阀 产品型号: SD341X/SD343H
    公称通径: DN40~DN1200 阀座密封: 橡胶密封或金属硬密封
    公称压力: 0.6MPa~1.0MPa~1.6MPa 连接方式: 法兰式
    适用温度: -30ºC~+425ºC 驱动方式: 手动、蜗轮、电动、气动、液动
    阀体材质: 铸铁、球墨铸铁、铸钢、不锈钢 制造标准: 国标GB、德国DIN、美国API、ANSI
    适用介质: 空气、水、蒸气、煤气、油品等 生产厂家: 上海凯利科阀门有限公司

    产品说明

    SD341X/SD343H伸缩蝶阀具有自动补偿管道热胀冷缩方便装卸的功能,使用于温度在425℃以下,公称压力在1.6MPa以下的石油、化工、电力、造纸、给排水和市政建设等工业管道上作调节流量和载断流体的最佳装置。

    产品特点

    1、结构独特,设计灵活,重量轻,省力,启闭迅速。
    2、伸缩蝶阀不仅能补偿管道温差缩产生的热胀冷缩的功能,还能为维修阀门安装更换提供方便。
    3、密封部位可调节更换,密封性能可靠。

    性能参数

    工作压力(MPa) 0.6 1.0、1.6、2.5
    适用温度(℃) 橡胶密封≤80℃ 适用温度(℃) 金属硬密封≤425℃
    适用介质 水、污水、油品、空气等 适用介质 水、蒸汽、污水、油品、空气等
    材料 阀体 灰铸铁 灰铸铁、铸钢 球墨铸铁
    蝶板 球墨铸铁(表面处理) 球墨铸铁、不锈钢 球墨铸铁
    阀杆 2Cr13 不锈钢、碳素钢 铬不锈钢

    技术参数

    公称通径 DN(mm) 50~2200
    公称压力 PN(MPa) 0.6 1.0 1.6
    试验压力 强度试验 0.9 1.5 2.4
    密封试验 0.66 1.1 1.76
    气密封试验 0.6 0.6 0.6
    适用温度 ≤80℃~425℃
    适用介质 空气、水、蒸气、煤气、油品等。
    驱动形式 手动、蜗杆蜗轮传动、气传动、电传动。

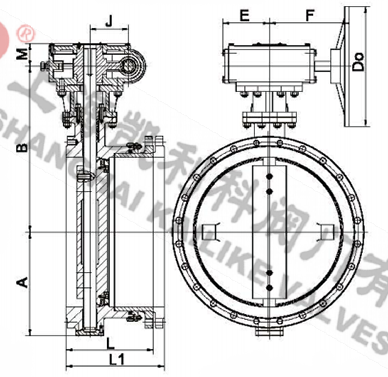
    外形结构图

    主要外形尺寸

    DN L L1 max A B E F J M Do
    50 160 172 83 120 90 205 83 115 200
    65 160 172 89 145 90 205 83 115 200
    80 180 195 98 158 90 205 83 115 200
    100 195 215 110 170 90 205 83 115 200
    125 205 225 123 182 90 205 83 115 200
    150 205 225 140 210 90 205 83 115 200
    200 218 238 170 238 90 205 83 115 200
    250 233 258 195 270 90 205 83 134 250
    300 248 268 222 300 90 205 83 134 250
    350 278 303 252 330 120 265 141 159 250
    400 298 323 285 368 120 265 141 159 250
    450 311 336 310 402 185 250 115 163 250
    500 330 355 337 438 185 250 115 163 315
    600 350 375 393 490 245 400 145 185 315
    700 364 395 450 558 245 400 145 185 315
    800 415 445 515 625 310 460 191 220 315
    900 435 475 560 685 310 460 191 220 400
    1000 510 550 610 750 410 55 270 255 400
    1200 590 630 825 880 410 55 270 255 400
    1400 590 630 840 987 520 640 351 320 400
    1600 626 660 960 1158 520 785 440 335 630
    1800 670 710 1060 1258 520 640 351 320 400
    2000 680 720 1165 1365 520 640 351 320 400
    2200 700 740 1325 1470 520 640 351 320 400

    安装注意事项

    1、安装前必须平放,切勿随意磕碰,运行时严禁将支架卸掉。
    2、出厂时结构长度为最小长度,安装时,拉至安装长度(即设计长度)。
    3、当管道间长度超过伸缩阀安装长度时,请调整管道间隔,切勿强行拉伸缩蝶阀,以免损坏蝶阀。
    4、可在任意安装,做温度补偿用时,在管道安装完成后,需沿管道轴线方向两端加支架,防止伸缩阀伸缩管拉出。
     

    声明:【SD341X,SD343H伸缩蝶阀】规格型号、结构尺寸由上海凯利科阀门有限公司提供,如何选择适用的SD341X,SD343H伸缩蝶阀产品,使之在工艺控制中安全可靠、经济适用,可致电我司销售部门及技术部门,我们将在最短的时间内为您解答!

    

    Copyright ©2011-2023 上海凯利科阀门有限公司,版权所有。 京ICP证000000号

    销售电话:021-31001158

    手机号码:13816746668 陈国辉/经理

    电子邮件:klkvalves@126.com@126.com

    主营产品:球阀,闸阀,蝶阀,截止阀,止回阀,调节阀

    本周热门:不锈钢阻火器全天候呼吸阀气动球阀气动蝶阀气动刀闸阀气动调节阀电动球阀电动蝶阀电动刀闸阀电动调节阀不锈钢球阀不锈钢闸阀不锈钢截止阀不锈钢止回阀不锈钢电磁阀高压电磁阀高压球阀波纹管截止阀

    官方网址:www.fm058.com